中文
|
English
网站导航
网站首页
关于我们
公司简介
荣誉资质
公司环境
产品中心
新能源
智能家居照明系统
电气防火限流式保护器
火灾监控系统系列
余压监控系统
智能电力监测系统
双电源系列
防雷浪涌保护系统
交流断路器系列
负荷隔离开关系列
案例中心
学校
政府
车站
房产
景观
银行
医院
工厂
场馆
广场
酒店
新闻资讯
公司新闻
行业动态
合作伙伴
联系我们
联系方式
在线留言
首页
关于我们
公司简介
荣誉资质
公司环境
产品中心
新能源
智能家居照明系统
电气防火限流式保护器
火灾监控系统系列
余压监控系统
智能电力监测系统
双电源系列
防雷浪涌保护系统
交流断路器系列
负荷隔离开关系列
案例中心
学校
政府
车站
房产
景观
银行
医院
工厂
场馆
广场
酒店
新闻资讯
公司新闻
行业动态
合作伙伴
联系我们
联系方式
在线留言
188-2649-9899
产品中心
新能源
智能家居照明系统
电气防火限流式保护器
火灾监控系统系列
余压监控系统
智能电力监测系统
双电源系列
防雷浪涌保护系统
交流断路器系列
负荷隔离开关系列
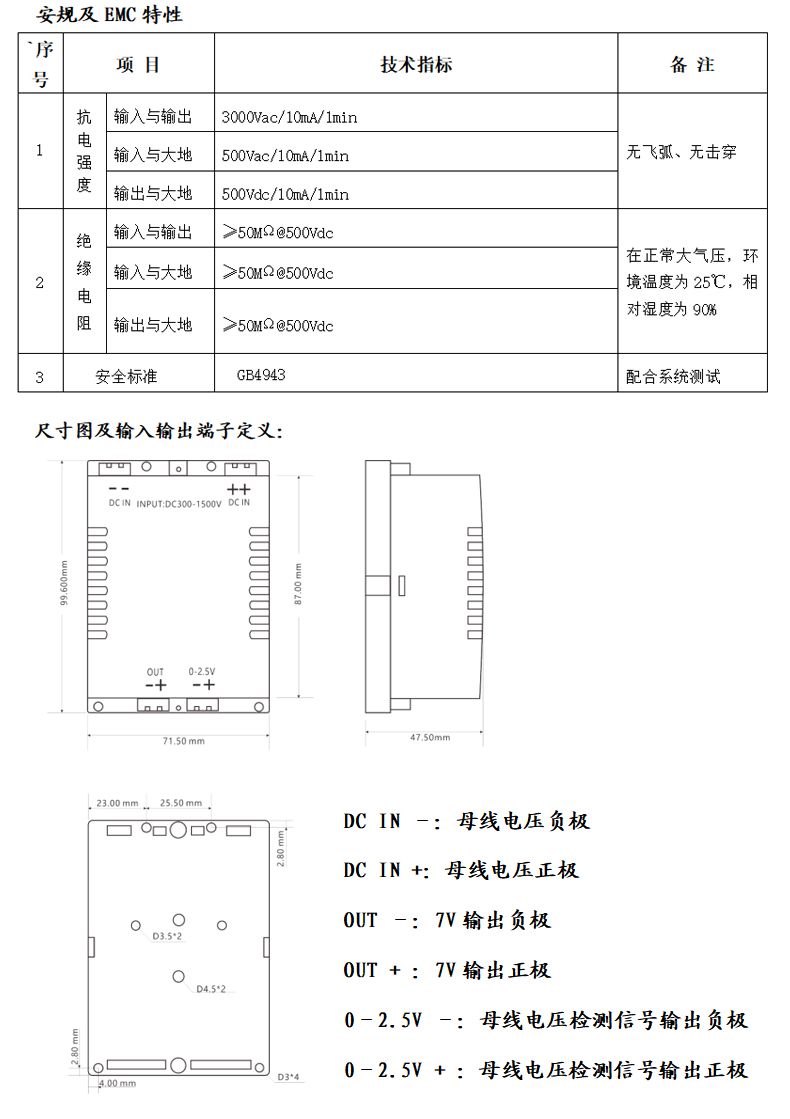
光伏汇流箱智能监控模块自供电电源
产品详情
产品展示
联系电话
188-2649-9899